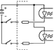
| Eksternt | Internt på kortet | Internt på kortet | Eksternt |
![]() |
![]() |
||
| Indgang, fælles plus | Udgang, fælles plus | ||
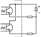
| Eksternt | Internt på kortet | Internt på kortet | Eksternt |
![]() |
![]() |
||
| Indgang, fælles minus | Udgang, fælles minus | ||
| Eksternt | Internt på kortet | Internt på kortet | Eksternt |
![]() |
![]() |
||
| Indgang, fælles plus | Udgang, fælles plus | ||
| Eksternt | Internt på kortet | Internt på kortet | Eksternt |
![]() |
![]() |
||
| Indgang, fælles minus | Udgang, fælles minus | ||