Forrige
Næste

AC / DC spændingsmåler 0-264VAC, 0-370VDC med MODBUS RTU (RS485), +/-0,5%, 24 bit, DIN

AC og DC spændingsmåler med true RMS
Resolution: 24 bit
0-264VAC 0-60Hz (3 faser)
L1, L2, L3, N
0-+/-370VDC
Input impedans større end 2,4Mohm
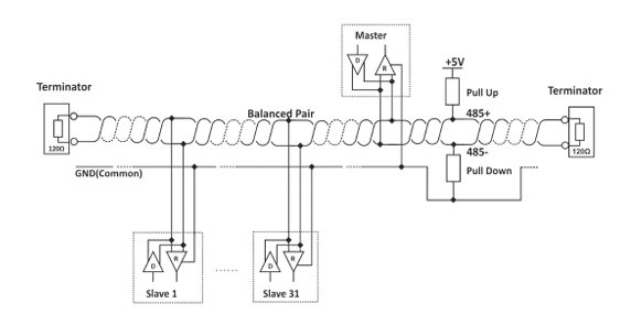
Modbus RTU (2-wire RS485)
Indbygget RS485 terminering (120 ohm)
Op til 63 enheder per RS485 Bus
LED til kommunikation-status
Responstid: mindre end 50mS
Temperatur: -20 - +60°C
Forsyningsspænding: 5 - 28VDC
Mål: 86 x 59 x 35 mm


1.523,00 kr
Ekskl. moms
Antal
På vej ind
Varenummer TSV300
Få Volume Tilbud
close

Få Volume Tilbud

 
file_download DOWNLOADS
Stil et spørgsmål
close

Stil et spørgsmål

 

 

Download PDF

AC spændingstransducer TSV300 er designet til præcise sande RMS-målinger. Den passer problemfrit til både 50 og 60 Hz net, hvilket gør den meget alsidig til forskellige applikationer. Derudover kan transduceren effektivt bruges til DC-spændingsmåling og -overvågning.

Med en 24-bit opløsning og en nøjagtighed, der overstiger 0,5 %, sikrer TSV300 pålidelig og nøjagtig dataindsamling. Sikkerhed er altafgørende, hvilket afspejles i dens robuste 1500Vrms arbejdsisolationsspænding, der garanterer sikker drift i forskellige miljøer.

Høj inputmodstand på mere end 2,4 MOhm minimerer interferens og forbedrer målenøjagtigheden. DIN-skinnemontering letter nem integration i forskellige opsætninger. Det brede forsyningsspændingsområde (5 til 28VDC) tilføjer fleksibilitet, og skrueløse klemmer forenkler monteringen.

Ud over dens alsidighed understøtter TSV300 MODBUS RTU-kommunikation, der leverer data i både 16-bit heltals- og 32-bit flydende kommaformater. Denne kommunikationsevne forbedrer dens kompatibilitet med forskellige systemer og dataindsamlingsopsætninger. Navnlig henvender transduceren sig til et bredt input AC spændingsområde, der dækker standardspændinger, der findes i forskellige lande. 

Sammenfattende står TSV300 som en omfattende løsning til præcise og tilpasningsdygtige AC- eller DC-spændingsmålinger. Dens banebrydende teknologi, kombineret med brugervenlige funktioner, gør den til et ideelt valg til forskellige applikationer.

Uanset om du prioriterer nøjagtighed, sikkerhed eller nem integration, leverer TSV300 på alle fronter og giver pålidelige spændingsmålinger til dine specifikke behov.


Hent teknisk info fra producentens side:

https://www.teracomsystems.com/sensors/ac-voltage-transducer-modbus-rtu-tsv300/