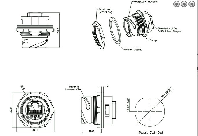
RJ45 vandtæt stik til chassismontering, STP, IP68 tæt på hus eller hætte påsat.
RJ45 hun-stik til chassismontering
Gevind: (13/16"-UNEF28)
RJ45 gennemgangsstik 2 x RJ45 hun STP
IP68 tæt med vandtæt hætte påsat - RJ45W-P - tilkøbes
IP68 tæt med vandtæt hus med kabel påsat - RJ45W-S - tilkøbes
156,00 kr
Ekskl. moms
Antal
Fysisk på lager
Varenummer RJ45W
Specifications
| Dimensioner | 32 x 35,4 x 19 (udvendig side) m.m. (se billede) |
|---|
Hus: Zn Alloy 3, Forniklet
Panelmøtrik: kobberlegering, forniklet
Panelpakning: Silikone
RJ45 Jack metalskal: kobberlegering, nikkelbelagt
RJ45 Jack plasthus: Teknisk termoplastisk brandbarhed UL94 V-0
RJ45-stikkontakt: fosforbronze, finish: guld over nikkel-konnektor kan frontmonteres til en maksimal paneltykkelse på 3,2 mm.
Forrige
Næste
Andre produkter i samme kategori:
RJ45 samlestik, IP69K vandtæt, med RJ45 hun/hun. UTP 21mm gevind, 19mm flat. UL 94V-0
IP69K vandtæt RJ45-kobling til chassismontering.
Anti-oxidation og anti-UV
Plasthus: Teknisk termoplast. Brandsikring iht. UL 94V-0.
Kontakter: Phosphor Bronze.
Overfladebehandling: Guldbelægning over nikkel i kontakt.
Møttrik: Teknisk termoplastisk brandfarlighedsklasse UL 94V-0
Pakning: silikone
Paneltykkelse: 1,5 ~ 2,5mm
95,00 kr
Varenummer: RJ45F-FWP
RJ45 IP67 vandtæt gennemgangs-stik til panelmontage og hus til patchkabel, med skærm, sort
Vandtæt STP RJ45 sæt til chassis/panel og patchkabel
Hun/hun gennemgangsstik til panel-/chassismontage
Vandtæt hus til patchkabel med std. aflastning monteret.
Kabel-diameter: 5,5 til 7 mm
Hul størrelse 25.7mm
IP67 tæt
UV beskyttet og brandsikker
Til udendørs brug
Velegnet til industrielt miljø
Sort
188,00 kr
Varenummer: RJ45WP-S
RJ45 IP67 vandtæt gennemgangsstik til chassis- og panelmontage, Med 20mm gevind.
Vandtæt RJ45 samlestik
RJ45 hun hun stik (gennemgangsstik)
Til panelmontage
20mm gevind
IP67 tæt
Guldbelagte stik
UV beskyttet og brandsikker, til udendørs brug
Velegnet til industrielt miljø
Sort plast
Bemærk: Montér RJ45 stk uden træk/bøje aflastning - er ikke plads i stik
105,00 kr
Varenummer: RJ45F-FWP-P
Vandtæt USB3.0 chassis-hun-stik, IP67 med hætte, 1 meter kabel med USB A han. Bayonet til kabel-stik. Plast.
IP67 tæt USB 3.0 chassis stik
Til udendørs chassis-montering
Kun IP67 vandtæt med hætte påsat
Ingen modpart
Til almindelig USB kabel
Hul i chassis: 24.2mm
Flad hul-side: 24.5mm
155,00 kr
Varenummer: K-USB3-WATER
IP67 vandtæt plasthus til RJ45 UTP patch-kabel. Passer til STIK-RJ45-WAT-CMU chassis-stik
Vandtæt plast-hus til RJ45 UTP kabel
Hus med snap-lås til RJ45 patch-kabel
Indsætningstab er maks. 0.7dB
Flammesikker: UL94-V0
IP67 tæt ned til 1.5 meter under vand
Til Ø24mm - chassis stik
Meget robust
Vandtæt hætte i kæde
PBT plastikhus
135,00 kr
Varenummer: STIK-RJ45-WAT-KMU
IP67 vandtæt chassis- / Panel fiber gennemgangsstik med LC/LC Single Mode. Passer til STIK-FIBER-WAT-MLC-S. Robust
Vandtæt chassisstik til LC Single Mode fiber kabel
Gennemgangsstik med LC hun på begge sider
Med flange montering
Indsætningstab er maks. 0.7dB
Flammesikker: UL94-V0
IP67 tæt ned til 1.5 meter under vand
Til Ø24mm - flange 30 x 31 mm
Med snap-lås
Med vandtæt hætte i kæde
PBT plastikhus
142,00 kr
Varenummer: STIK-FIBER-WAT-LC-S
Komplet vandtæt RJ45 sæt til chassis-montering, hætte og stik til kabel, metal - robust
Sæt bestående af chassis- og stikdel samt hætte
Stik til kabelmontering
Hætte til chassis: 3,1 cm (ydre skive)
Stik med gevind: 3,1 cm (ydre skive), 2 cm (indre cirkel)
Vandtæt - IP68 tæt
28mm hul i chassis
Ring +45 56 66 20 20 for pris
Varenummer: RJ45F-FW+
Forrige
Næste









